| ホーム > 岡山畜産便り > 岡山畜産便り2007年8月号 > 〔普及の現場から〕「和牛放牧における水田の草地化による牧養力向上への取り組み」 |
近年,耕作放棄地の省力的な保全対策として,電牧を利用した和牛放牧が県内各地で取り組まれています。東備地域においても平成16年から和気町で「お試し放牧」が始まり,平成18年からは町内和牛農家と耕種農家が連携した取り組みに発展しています。しかし,遊休農地での牧養力は年々下がっていくため,放牧期間が短くなってしまいます。そこで,水田に牧草を播種して草地化することで牧養力の向上と省力的な維持管理を図ることを目的に,農業総合センターや総合畜産センター,県民局東備支局と連携し,地域技術の確立に取り組んでいます。
(1) 実証農家の概況
・和気町I牧場(東備畜産研究会員)
・繁殖和牛22頭飼養
・飼料作物230a(うち水田放牧210a)
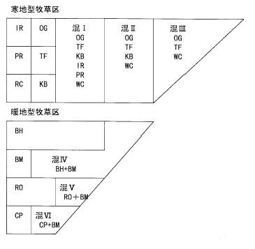
(2) 実証ほの概要(図1)

図1 実証ほの配置図
@ 寒地型牧草区(表1):昨年の10月12日にオーチャードグラスやトールフェスク,ケンタッキーブルーグラス等7草種を耕起,施肥後,単播または混播しました。今年の5月9日と6月29日に収穫調査を行い,1番草は採草利用,2番草は放牧も行い,嗜好性を調査しました(写真1)。

写真1 寒地型牧草区(6月29日)
A 暖地型牧草区(表2):今年の6月5日にバミューダグラスやバヒアグラス等4草種を耕起,施肥後,単播または混播しました。7月下旬に収穫調査を行い,第1回目の放牧を行う予定です。
表1 寒地型牧草区

表2 暖地型牧草区

(1) 寒地型牧草区
@ 発芽:播種後に降雨が無かったため,どの区も発芽は遅れました。草種ではIRが最も良く,次いで PR と OG が良く,KB と RC は良くありませんでした。
A 生育:発芽後も干ばつにより初期生育が抑制され,雑草や前年のイタリアンの落ち生えの発生が多くなりました。草種では発芽状況と同様の傾向でした(写真2)。1番草収穫後の再生は
OG,TF,PR は良好でしたが,IR と KB はあまり良くありませんでした。

写真2 寒地型牧草区(5月9日)
B 収量:収穫調査結果は(図2)のとおりで,1番草では IR が最も多く,次いで混播各区が多く,OG と KB が少なくなりました。2番草ではクローバーの入った混播各区が最も多く,次いで OG,TFが多く,KB と IR は少なくなりました。

C 嗜好性:2番草はどの区も嗜好性は良く,差はみられませんでした。ただ,IR は出穂していたため,穂先を好んで食べて茎を残す傾向がありました。放牧利用は草丈30p程度で利用することが大事だと痛感しました。
D 考察:これまでの結果からみると,採草なら IR,放牧なら再生の良い OG や TF,PR が当地では有望であると思われました。今後も調査を行い,収量性や越夏性,定着性等を検討していく予定です。
(2) 暖地型牧草区
@ 発芽:播種後に適度に降雨があり,鎮圧が十分な場所は発芽が良好でした。発芽は草種による差が大きく,RO と BM は良かったものの,BH
と CP は遅くなりました。
A 生育:発芽後も草種による差は大きく,RO が最も良く,次いでBMが良くなりました。BH とCPは生育が遅く,雑草の発生が多くなりました(写真3)。

写真3 暖地型牧草区(7月17日)
B 考察:発芽と生育状況からみると,早期の草地化には RO と BM が有望であると思われましたが,今後収量性や嗜好性,越冬性,定着性等,総合的に検討していく予定です。
調査はまだ始まったばかりです。今後継続して調査を行い,水田の草地化技術の確立を図るとともに,周年放牧体系による和牛繁殖経営の省力化,低コスト化を検討し,技術の近隣地域への普及を図っていくことにしています。
実証場所は備前市吉永町の田倉牛神社の近くですので,お越しの際はぜひお立ち寄りください。