>既刊の紹介>岡山県畜産史 |
1 明治初期の牧場
明治元年(1868)には,新しく打ち出された「勧農牧畜政策」にそって,勧農,牧畜,開墾に関する諸施策がはじめられている。その手はじめとして,同年政府は新しく開墾するための資金や,家畜導入のための購入資金などの貸付をはじめ,畜産の近代化をはかっている。
このころ岡山県でも,民間の牧場が見られるようになっている。すなわち,明治14年(1881)旧津山藩士天野虎雄らは「美作牧牛社」を起こし,牧牛経営に従事している。翌15年(1882)には,真島郡小童谷村(現湯原町)池田稲夫は,同村カマト原牧場を開き,さらに16年(1883)県は邑久郡裳掛村(現邑久町)長島の国有林を借り受けて,池田類治郎に貸しつけ,牧場を経営させている。これらについては,第1編総論,第2章「明治,大正年代における畜産の発達」において述べたとおりである。この時代には,全国的にも同じ傾向で各地に大型牧場が誕生しているが,これらは,洋式農法や洋種の牛馬などがとり入れられて新しい形で発足したが,その大部分はおおむね失敗してしまい,残ったものは官営牧場が多かった。しかし,この牧場の廃滅は決して畜産の衰退を示すものではなく,一般農家で飼養する牛馬は相変わらず広大な山林原野に放牧され,またこれらの土地から収穫された乾草は,冬季の粗飼料として牛馬を維持していた。
ところで,藩政時代には山野の公権的な利用と,民間による私権的な利用との関係は弾力的であった。それが明治になって林野の官民有区分が明確にされ,多くの入会地が官山として編入されることとなったために,民間の牛馬の放牧が大幅に制限されるようになったのである。
2 国有林野の利用
明治6年(1873)の「地租改正条例」公布により,山林原野の国有林地区分のために,全国的に大がかりな調査が行なわれ,それまで入会権を認められていた放牧草地のうち,所有権のはっきりしないものは官有地としなかったため,放牧採草地が狭められ,牛馬の飼育に制約が加わるようになった。
一方,明治23年(1890)に「官有森林原野および産物特別処分規則」が施行され,官有林野の利用はさらに厳しくなり,牛馬の放牧利用が強く締め出されることとなった。そのため,盗伐や盗牧が多くなり,逆効果となったので,翌24年(1981)には規則が改正され,官有林野を保護する義務を民間が負うことによって,林野の副産物を採取することを許可した。これが後日の委託林の前身である。しかし,牛馬の放牧利用についての制限はゆるめられていない。
明治30年(1997)に「森林法」が制定されたが,これによって牛馬の放牧利用の取締りは一層強められ,その上「みだりに他人の森林内において牛馬を放牧したるものは,2円以上50円以下の罰金に処す」(同法第42条)と,当時としては相当にきびしい罰則が設けられた。しかし,従来からの放牧慣習はなかなか改まらなかったので,国も従来からの使用慣行を無視することはできないと察し,翌31年(1898)には「牛馬放牧方取扱いの件」という内訓を各大林区署(現在の営林局)に発し,国有林野の放牧については,条件をつけて許可する方向が指示された。
これによって,従来は罰則だけで取り締っていたものが,若干方針を変え,一定の枠の中で放牧利用を認めることになったのであるが,このような条件つきでの放牧利用が,その後の国有林野の牛馬放牧に関する基本的な姿勢となっている。
さらに,明治32年(1899)に「国有林野法」が公布されたが,この法律の中の放牧関係の条項はつぎのとおりであった。
第2条 国有林野はつぎの場合に限り随意契約で貸付又は使用させることができる。
(1)(省略)
(2)牧畜又は植樹のために必要なとき
(3)牛馬を放牧するために使用させるとき
(以下省略)
第3条 国有林野を貸付け又は使用させるときは相当の貸付料又は牛馬放牧料を徴収する。
第13条 国有林野を貸付け又は使用させるときは,つぎの期間を超えてはいけない。
(1)植樹の場合は80年
(2)家屋倉庫その他の建設物の場合は30年
(3)その他の場合は15年
前項の期間は更新することができる。
このように国有林野法では,牛馬の放牧利用は「貸付」と「使用」という制度で認められることになったが,この制度は昭和26年(1951)に公布された現行「国有林野法」でも受け継がれている。
3 岡山県における牧野の概況
すでに述べたとおり,明治初年の個人牧場の多くは不成功に終ったが,地域共同牧場の形のものは昭和年代まで存続している。表6─1─1は,明治25年(1892)における牧場と放牧牛馬数を示すものであるが,岡山県の場合は,全国的に見て多い方ではなかった。
本県の中国山脈の背梁に沿って存在する多くの共同牧野の代表例として千屋について,その概要を記せば次のとおりである。

(1)千屋牧野
農林省(昭和6年)の『牧野使用に関する調査』によれば,次のとおりである。
阿哲郡千屋村(現新見市千屋)大字井原字東山および西山(2筆)にあり,地目は山林,利用区分は放牧地である。台帳面積は東山37町歩,西山143町歩合計180町歩となっているが,実測では388町歩となっている。所有者は古来,井原部落総持ちであったが,大正14年(1925)千屋村に統一された。牧野の経営者は,井原牧場使用組合となっているが,これはその前身を井原畜産改良組合といい,明治31年(1898)に設立され,大正9年(1920)現在の名称になっている。
千屋村は花見,実,井原,千屋の4大字からなるが,そのうち千屋は哲多郡,他の3大字は阿賀郡である。幕末のころは千屋,井原の2村は新見藩に属し,実,花見の2村は幕府直轄領であった。維新後,倉敷県から深津県(明治5年(1872)小田県となる),ついで明治8年(1875)12月10日岡山県に合併となった。
この牧野の沿革は不詳であるが,当地方は古来「千屋牛」の名で畜牛生産地として天下によく知られ,山林原野は,公有地,私有地の区別なしに,一般に自由に放牧されている。千屋を除く3部落は,部落総持ちという山林,原野があって,地元部落住民の薪炭材の採取と,採草放牧に利用されて来たが,千屋部落には個人同士の共有地(何々外何人持ち)があって,昔の使用収益に関する慣習は,さきの部落総持ちと違わないようである。しかし,現在は私有地として,部落有林野統一地とは直接の関係がない状態である。従って,この点の解決を図るため,大正14年(1925)これら部落総持ちの林野を,村に統一することとなったが,千屋は共有地をもたないため,他の部落との調整が困難で昭和6年(1931)現在まだ実現していない。
なお,当地方では,古来,小作慣行として,地主側で,小作水田に各人の私有採草地を組ませて,その水田の肥草として施用させていた。この採草地と水田の割合は,普通水田1反歩(10アール)に対し2反ないし5反歩の草山をつけさせた。これらの付属草山は,雑木林として薪木をとり,木炭を焼く者もあるが,この場合は,その木炭の売上金で肥料を購入させることになっていたようである。
(2)軍馬補充部旭川派出所
軍馬の補充機関として,軍馬補充部条例が,明治29年(1896)公布され,明治31年(1898)には現在の蒜山原に陸軍々馬補充部大山支部旭川派出所が開設された。その総面積は,2,300ヘクタールが充てられていたが,昭和2年(1927)軍馬補充部再編により現在の北朝鮮雄基へ移転している。
軍馬補充部の牧野管理の概要はつぎのとおりであった。(神翁顕彰会(昭和38年)の『続日本馬政史2』)
軍馬補充部の支部は,専ら育成を担当しているが,育成馬(2〜4歳)を育成するために使用した牧野は大体,野草放牧地,野草採草地,牧草放牧地に分けられている。
@ 野草放牧地
各支部には1万〜2万ヘクタールの大自然草地を所有しているが,これに夏季の一定期間を昼夜放牧し,各牧区を輪換放牧する方式をとっている。この方式は軍馬補充部における放牧の主体となっている。
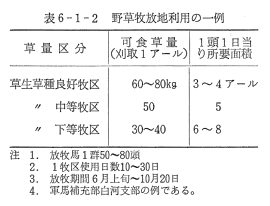
この場合は草量区分と,1日1頭当たりの所要面積を基準として放牧計画をたてて実施していた。
放牧地の施設は,水飲場,土塁,牧柵等で,雑かん木,害草,毒草の除去方法については,刈払い,抜根,火入れの3方法があるが,軍馬補充部では,専ら抜根法によっていた。独自の野草施肥試験の結果,施肥は草生をよくし,草の品質,栄養価値ともに向上するので,野草放牧地には毎年計画的に,利用のはげしい牧区とか,衰退している牧区等に施肥していた。白河支部では野草放牧地の50ヘクタールには,ヘクタール当たり,硫安200キログラム,過石150キログラムを3月下旬と4月中旬の2回に分けて施肥していた。

A 野草採草地
野乾草の収穫は,軍馬補充部としては重点業務の1つであった。野草採草地1,025ヘクタールから食野乾草791トンと敷料野乾草619トン合計1,410トンを収穫し,ヘクタール当たり施肥区の収量も含めて1,376キログラムとなっていた。これらの収穫作業は,請負によるものは全部手刈りにより,直営の分はモーアの機械刈りを主として,手刈りを併用していた。収穫時期は,食草が7月中旬から9月上旬までとし,敷草が7月下旬から10月15日までとしてあった。
乾草の品質区分
食草(上)は,刈取時期が適期で,草質が繊維柔軟で,草種の配合が適当であって,乾燥,色沢ともに良好なものであり,不要草,塵埃が混入していないものとする。食草(中)は,食草として使用できる品質であって,食草(上)の条件に比べやや劣るものとする。敷草(上)は,草質は可良であるが,やや粗硬となり,乾燥は十分であるが,色沢,香気ともに良好でなく,また,不要草および雑木の一部を混入するもの,あるいは草質良好であるが,雨にあってやや褪色しているものである。敷草(下)は草質の硬軟に関係なく,刈取期が遅れ,雨にあい,褪色し,香気のないものである。しかし,発黴がなく,敷草として使用できるものである。
B 牧草放牧地
この利用法は,前述の野草放牧地に夏期の輸換放牧をする前と,同放牧が終了して冬季舎飼に入るまでの早春と晩秋に放牧利用しており,放牧馬を毎日厩舎から放牧区に誘導して,時間放牧を行なっていた。すなわち牧区全面に自由放牧をすると選択採食を行い,歩行も多くなって,蹄傷量が増大し,牧養力の低下をきたすおそれがあるので,1日1頭の採食量を45〜60キログラムの基準とし,頭数に応じた一定面積内に一定時間放牧して採食させ,終った後は牧区外の運動・休息牧区に移動して,休息させるようにしていた。
放牧草高は,20センチメートル程度とする。伸び過ぎたものは馬のためにも,牧草のためにも不利になるからである。さらに採食率の程度は,第1回の放牧には,次回放牧までの草生の回復を良くするために50%程度に押え,放牧回数が進むにつれて採食率を高め,最終放牧には90%以上採食するようにしている。大体年間に,3〜4回の放牧をするので,1ヘクタール当たり延250〜300頭程度の牧養力になっている。一方,放牧をしない夏季間は牧草を刈り取り,乾草として貯蔵する。
4 旧牧野法の制定
昔から家畜は至るところの山野で自由に放牧でき,採草もできていたが,明治6年(1873)公布された地租改正条例に伴う官民有地区分により,多くの山野が国有地に編入されたため,放牧採草が自由にできなくなった。また,町村有地に編入されたものは,基本財産造成のため,盛んに造林され,これまた放牧採草可能面積を減ずることとなった。その上,牧野の草生維持管理も放任状態におかれ,荒廃した。従って,牧野面積の確保が農民の切実な願いとなった。このような背景をもって,旧牧野法は種々曲折を経て成立したものである。
旧牧野法(昭和6年法律第37号)は,大正7年(1919)に制定方が建議されてから10年以上も曲折を経たのち,ようやく畜産関係者待望のうちに成立した。しかし,成立した法律と関係者の要望するところとの間には,なお大きな開きがあったといわれている。法律の概要は次のようであった。
第1条に「牧野とは牛馬の生産飼育のため放牧または採草をなすを目的とする土地をいう」とある。すなわち牧野は,一般農業での耕地,山林と同等に土地として扱われることとなった。また,本法の対象とする家畜は,牛馬に限定されている。
第2条では地方公共団体が所有するいわゆる公有牧野では,その管理方法を定め,行政官庁(地方長官)の認可を受けなければならない。ひとたび認可を受けた管理方法を,廃止または変更しようとするときも,また同様の認可を要することとなっている。この管理方法の設定事項は,@牧野の位置,A牧野の地積(以上2項目はそれぞれ放牧地,採草地別,主牧地,混牧林地別とする)B牧野の区域,C牧野において放牧または採草をする者の範囲であって,これらを内容として永久に牧野として管理するという意思表示をするもので,これによって漠然とした管理を改め,地域が明瞭となって維持改良が改善されることとなるのである。
第3条に「牧野の荒廃防止,害虫の駆除予防その他牧野の保護に関し必要となる事項は,勅令をもってこれを定める」と牧野の維持管理について規定している。
牧野の荒廃を防止し,また荒廃した牧野を回復するために必要があるときは,国有地は農林大臣が,その他の土地については地方長官が,それぞれ保護区域を設け,一定期間放牧または採草を禁止し,または制限することができる。害虫の駆除予防は,地方長官があらかじめ予防すべき害虫の種類および駆除予防の方法を定めて,農林大臣の認可を受け,牧野組合,牧野を設置する者または牧野において放牧または採草をする者に対して,害虫の駆除,予防を命ずることができる。
第4条は,「命令を以て規定したる者を除く外,牧野において放牧又は採草をなす者は協同して牧野の維持または改良を図る目的を以て牧野組合を設立することを得」とあり,以下牧野組合について規定している。
第8条に次のような牧野組合の目的と事業が盛られている。すなわち,@牧野の維持または改良に必要な共同設備の設置,A草生の改良,Bいばら,土石その他障害物の除去,C害虫の駆除予防,D牧野に関する利用統制,E前各号に掲げるものの外,牧野の維持または改良を図るのに必要な施設。以上が牧野組合の事業として認められたものであり,他の事業はできない。
5 岡山県における牧野と放牧の概況
岡山県内務部(大正12年)の『岡山県産業調査書(現況の部)』によれば,大正10年(1921)における郡市別の牧野面積および牛馬の放牧頭数を表6−1−3のように示している。

さらに,調査結果の「判定」として次のように述べている。すなわち,「放牧する牛馬総頭数は27,503頭で,1頭当たり約1町6反歩であって,概して牧野は狭い。その上,前記牧野の中の約47%は私有林であって,これらは所有権の尊重と植林ならびに開墾の発達に伴い,将来牧野として利用できなくなる時が来るだろうから,現状のまま推移すれば,たとえ牧野の整理を行なうとも,なお不足をまぬがれることはできなくなろう。放牧牛馬1頭当たりの牧野面積は,地方により一様ではないので,草量および放牧に関する試験調査にまって決定すべきではあるが,地域の状況により,現在の飼養頭数に対して不足を訴えない程度に拡張しなければならない。なお,増殖見込みのある地域においては,所要面積に対する区画牧場を設けることが緊要であると認める」ということであった。
昭和年代に入ってからの牧野面積と放牧面積および放牧頭数は表6−1−4〜表6−1−8のとおりであった。以上の資料によれば,昭和年代に入ってからの牧野面積は漸減の傾向があり,放牧頭数も同じ傾向を示している。





6 牧野組合
岡山県内務部(昭和9年)の『畜産要覧』によれば,昭和初期に県の指導方針として,畜産についての申合せ組合を結成させ,畜産の各分野において自主的活動を促していて,畜産小組合なるものが畜牛改良組合の324を筆頭として全県下に592組合(昭和9年5月末現在)組織されていた。この中に「放牧採草に関する組合」が165あって,これらについては「牧野に関する組合調査」として,組合の名称,放牧採草地面積,事務所所在地,組合員数,設定年月日などが列挙されている。これを見ると,その大多数は昭和初年の設立によるものであるが,最も古いものは明治33年(1900)5月20日設立された阿哲郡刑部町(現大佐町)篠原の赤ノ田牧場組合であって,これをはじめ明治年代に設立されたものが11組合,ついで大正年代に21組合,昭和に入って9年(1934)5月までに132組合,合計165組合が設立されている。これらについて一括表示すれば表6−1−9のとおりである。

つぎに,牧野法によって規定された牧野組合は,表6−1−10のとおり,昭和8年(1933)に大井野(現大佐町)牧野組合が設立されたのをはじめ,翌9年(1934)中に3組合が設立されている。(岡山県内務部(昭和9年)『畜産要覧』)

7 牧野奨励事業
(1)外来牧草等の試作
明治42年(1909)から岡山県種畜場において,外来牧草の試作を開始し,大正2年(1913)まで5カ年間継続された。一方,これに先立って39年(1906)には,県から,外来牧草(オーチャードグラス,チモシー,イタリアンライグラス,アルファルファ,とうもろこし,燕麦,家畜用ビート,ルタバガ,ケール等10種類)の種子が牧草種子配布規則(県告示第483号)によって配布されている。大正3年(1914)から県種畜場で水田裏作用としてイタリアンライグラスの委託栽培が,また,白萩の試験栽培がそれぞれ開始された。
(2)畜産奨励規程による牧野関係奨励事業
畜産奨励規程(大正11年,県令第68号)により,大正12年(1923)から昭和8年(1933)までに実施された。牧野関係事業は,おおむね表6−1−11のとおりであった。

これを見れば,大正12年(1923)から11年間に合計5,393ヘクタールの牧野改良事業が行われたのであるが,この時点における放牧採草地のうち民有地面積82,309ヘクタールからみれぱ,僅か6.6パーセントに過ぎなかった。
事業開始から昭和2年(1927)までの事業実施を地域的に見れば,苫田郡内の26カ所が最も多く,真庭郡の10カ所がこれにつぎ,以下阿哲郡9,川上郡6,上房郡4,吉備,後月両郡各1となっている。
牧野改良助成事業の各年度における実施場所,面積,事業実施主体および奨励金交付金額については,岡山県内務部(昭和3年)の『岡山県畜産要覧』に詳しく掲載されているが,畜産奨励規程(大正11年)制定後,第1年度に当たる大正12年(1923)において実施された牧場施設奨励事業の詳細について記せば,表6−1−12のとおりである。

岡山県(昭和42年)の『岡山県政史』(昭和前期編)によれば,畜産奨励規程により実施される牧野改良奨励事業予算について,昭和2年(1927)において「共同牧場奨励費2,000円(町村又は20人以上共同して1カ所30町歩以上の牧場を設備し,その費額1,000円以上のものに対し,3割以内の奨励金を交付する見込,但し1カ所の奨励金は500円を限度とす)」を,また,同11年(1936)において「牧野奨励予算2,000円(町村又は20人以上共同して1カ所20町歩以上の牧野を設置(塁柵新設,障害物除去等)する場合,その実情を調査し,所要経費の4割以内を限度とし奨励金を交付す)」を計上している。
(3)国費による牧野奨励事業
牧野法が昭和6年(1931)に公布されたので,これに基づいて翌7年(1932)から国庫補助により牧野改良事業が行われたのであるが,記録に見える同年と昭和8年(1933)の2年分を表示すれば表6−1−13のとおりであった。

(4)牧野草生調査
大正9年(1920)から産業基本調査を行ない,翌10年(1921),町村産業計画を樹立するに当たり,林野利用上,畜産への利用地と造林地をいかに定めるかという問題が起こり,これを解決するための基礎資料を得ようとして,大正11年(1922)から,苫田郡奥津村(現奥津町)地内の10カ所において標題の調査を開始した。大正14年(1925)からは1カ所3畝ずつ4カ所において調査した。大正13年(1924)からの4カ年間,同一場所における調査成績は表6−1−14のとおりであった。

(5)失業救済農山漁村臨時対策事業
昭和6年(1931)1月,政府は農山漁村の不況を救済するため,県に対し大蔵省預金部資金の融資の貸付制度を設けた。県はこの資金を県下の市町村その他の団体などに転貸することになった。(岡山県(昭和42年)『岡山県政史(昭和前期編)』)
これによれば,牧野飼料関係だけについての事業別貸付金額等はつぎのとおりであった。
畜産施設事業
牧野整備 9,000円 畜産共同施設 73,000円
その貸付規程はつぎのとおりであった。
畜産施設事業
@ 牧野整備 放牧地又は採草地の改良等牧野整備の施設をするもの。
A 畜産共同施設 飼料調整貯蔵設備その他畜産に関する共同利用増進のために諸種の施設をする者に対して貸付けを行う。
(6)時局匡救土木事業
昭和7年(1932)8月,政府は農村不況対策として時局匡救土木事業をおこし,多額の事業費を農山村に向けて支出した。本県ではこの事業の統一をはかるため,内務部に臨時農村振興課を新設したが,各年度における牧野関係事業の概要はつぎのとおりであった。
昭和7年度 牧野改良費 33,000円
昭和8年度 牧野改良費 71,200円
昭和9年度 牧野改良費 金額不詳
この3カ年にわたった本事業の効果は,表6−1−15に示すとおり大きかった。実施町村295,施業面積26,489ヘクタールで,総工費151,849円(内奨励金68,488円)で,延就業人員は,15万人を超え,その就労賃金の収入によって農山村は潤い,木柵,木戸,牧舎,水飲場,牧道,橋梁,石塁等の新設や改築または,いばら,土石の除去によって牧野の整備が行われた。その結果,草の生産量は増大し,飼養頭数も増え,飼養労力の節減もできて,本県の畜産伸展に大きな貢献をした。
